Serie 28

Modello in phase-out
28.05.063.0 product image
igus-icon-lupe
28.05.063.0 technical drawing
igus-icon-lupe
1 su 2
28.05.063.0 product image
28.05.063.0 technical drawing
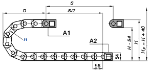
Altezza interna [Hi]
Altezza interna [Hi]
32 mm
Diametro max. del cavo
Diametro max. del cavo
28 mm
Principio di apertura
Principio di apertura
apribile da entrambi i lati
Larghezza interna [Bi]
Larghezza interna [Bi]
50 mm
Raggio di curvatura [R]
Raggio di curvatura [R]
63 mm
Non sei sicuro che sia adatto?
Come possiamo migliorare? Facci sapere la tua opinione.

igus® - chi siamo

Servizi

Contatto

igus® S.r.l. con socio unico
Sede legale e operativa:
Via delle Rovedine, 4 – 23899 Robbiate (LC)
CF e P.IVA: 02335500969 – REA LC n.279672

Metodi di pagamento

  • Pagamento anticipato
  • Fattura
  • Visa
  • Mastercard

Seguici

  • LinkedIn
  • YouTube

Resta aggiornato e iscriviti alla newsletter igus®.

igus-icon-globeLingua:Italiano|Paese:Italia

I termini "Apiro", "AutoChain", "CFRIP", "chainflex", "chainge", "chains for cranes", "ConProtect", "cradle-chain", "CTD", "drygear", "drylin", "dryspin", "dry-tech", "dryway", "easy chain", "e-chain", "e-chain systems", "e-ketten", "e-kettensysteme", "energy chain", "energy chain systems", "e-loop", "enjoyneering", "e-skin", "e-spool", "fixflex", "flizz", "i.Cee", "ibow", "igear", "iglidur", "igubal", "igumid", "igus", "igus improves what moves", "igus:bike", "igusGO", "igutex", "iguverse", "iguversum", "kineKIT", "kopla", "manus", "motion plastics", "motion polymers", "motionary", "plastics for longer life", "print2mold", "Rawbot", "RBTX", "readycable", "readychain", "ReBeL", "ReCycle", "reguse", "robolink", "Rohbot", "savfe", "speedigus", "superwise", "take the dryway", "tribofilament", "tribotape", "triflex", "twisterchain", "when it moves, igus improves", "xirodur", "xiros" e "yes" sono marchi registrati di igus® SE & Co. KG legalmente protetti nella Repubblica Federale Tedesca e, ove applicabile, in alcuni paesi esteri. Si tratta di un elenco non esaustivo di marchi (ad es. in corso di registrazione o marchi registrati) di igus® SE & Co. KG o di società affiliate a igus® in Germania, nell´Unione Europea, negli Stati Uniti e/o in altri paesi o giurisdizioni.

igus® SE & Co. KG dichiara di non vendere prodotti delle aziende Allen Bradley, B&R, Baumüller, Beckhoff, Lahr, Control Techniques, Danaher Motion, ELAU, FAGOR, FANUC, Festo, Heidenhain, Jetter, Lenze, LinMot, LTi DRiVES, Mitsubishi, NUM, Parker, Bosch Rexroth, SEW, Siemens, Stöber e tutti gli altri produttori di sistemi di azionamento menzionati in questo sito web. I prodotti proposti da igus® sono quelli di igus® SE & Co. KG