Modello fuori produzione
Per nuove applicazioni suggeriamo di utilizzare la catena tecnicamente ottimizzata Serie 14240 E4/light
25% in più di lunghezza autoportante, maggiore stabilità e carico addizionale, stesse dimensioni di montaggio
La serie 142 è disponibile solo come ricambi. A partire dal 2012 i prodotti a magazzino saranno ridotti. Per qualsiasi domanda contattate puro il Vostro contatto igus®. Grazie per la Vostra comprensione
alla serie 4 E14240/light
Qui è possibile configurare individualmente il sistema di catene portacavi. Tutti gli inserimenti e le modifiche vengono aggiunti all'elenco dei pezzi, che si trova a fine pagina.
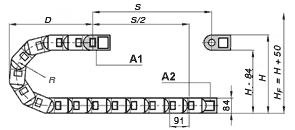
Serie 142 - traversini su tutte le maglie
1. Disponibilità di attacchi KMA a fissaggio universale
2. Disponibilità di attacchi sia oscillanti che fissi
3. Ottime proporzioni fra sezione interna e ingombri esterni
4. Fissacavi integrati
5. Traversini rimuovibili da entrambi i lati
Larghezze interne disponibili Bi: da 25 a 400 mm
Raggi di curvatura R disponibili: da 55 a 500 mm
Passo: 46 mm/maglia = 11 maglie/m