Modello fuori produzione
Per le nuove macchine consigliamo la catena ottimizzata R18840 della Serie igus® E4/light
25% in più di lunghezza autoportante, maggiore stabilità e carico addizionale, stesse dimensioni di montaggio
La Serie R188 è disponibile a stock in quantità limitate. A partire dal 2012 i prodotti a magazzino saranno ridotti. Per qualsiasi domanda contattate puro il Vostro contatto igus®. Grazie per la Vostra comprensione
E4/light Serie R18840
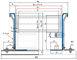
Qui è possibile configurare individualmente il sistema di catene portacavi. Tutti gli inserimenti e le modifiche vengono aggiunti all'elenco dei pezzi, che si trova a fine pagina.
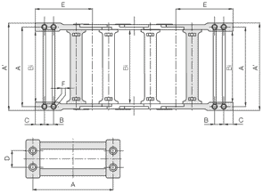
Serie R188, versione chiusa
1. Attacchi KMA
2. Disponibilità di attacchi sia oscillanti che fissi
3. R188: Coperchi apribili ed estraibili
4. R188: Fondi estraibili
5. Possibilità di combinare la catena a traversini con la catena completamente chiusa
6. Fissacavi integrati
7. 140/141: Traversini rimuovibili da entrambi i lati
Larghezze interne disponibili Bi: da 25 a 462 mm
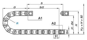
Raggi di curvatura R disponibili: da 55 a 500 mm
Passo: 46 mm/maglia = 11 maglie/m